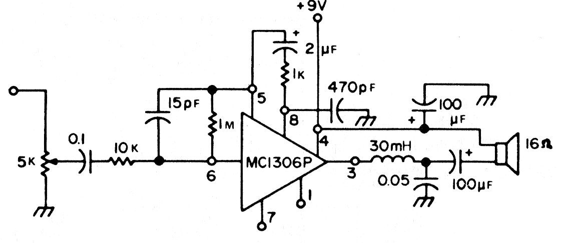
This amplifier uses a 1975 integrated circuit, which is uncommon today. The circuit has a gain of 30 dB and uses a transformer-less output with 9 V power.
This circuit was found in a Texas Instruments optoelectronics documentation. The gain depends on...
This oscillator circuit is from a Radio Electronics magazine from September 1960. The frequency depends...
Using a reed relay, this protection circuit depends only on the adjustment of the closing point by a wire...