It is an improved version of the previous circuit with a voltage follower that reduces the load impedance. The circuit was found in American documentation from the 1980s.
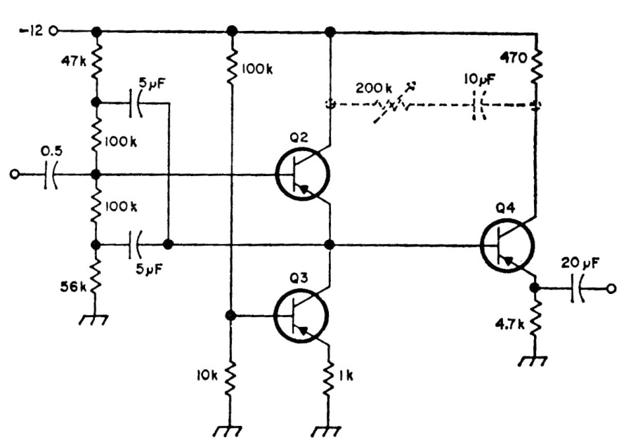
This circuit was found in a Texas Instruments optoelectronics documentation. The gain depends on...
This oscillator circuit is from a Radio Electronics magazine from September 1960. The frequency depends...
Using a reed relay, this protection circuit depends only on the adjustment of the closing point by a wire...