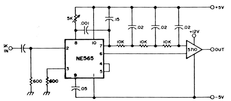
The maximum frequency of this circuit is 500 kHz. We found it in a documentation for radio amateurs from the 1980s. The integrated circuit used is uncommon today.
This circuit was obtained from a Hands-On Electronics, an American magazine from January 1987. The...
This receiver for listening to the TR-23 phone was manufactured in Japan in the 1960s. The circuit is...
This astable multivibrator with an operational one at the time was found in the National...