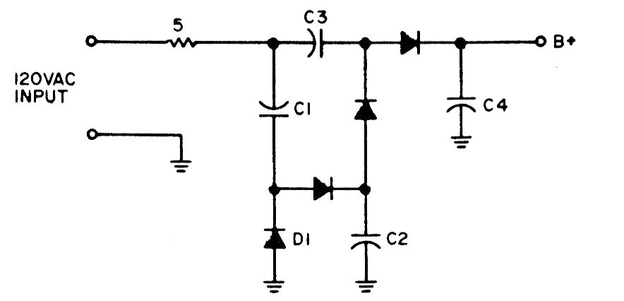
In the figure we have the configuration of a half wave voltage quadruplicator. In this case, capacitors can be 10 uF and diodes 1N4007 for an application in the 110 V (120 V) network. The resistor is 5 ohms x 1 W.
In the figure we have the configuration of a half wave voltage quadruplicator. In this case, capacitors can be 10 uF and diodes 1N4007 for an application in the 110 V (120 V) network. The resistor is 5 ohms x 1 W.