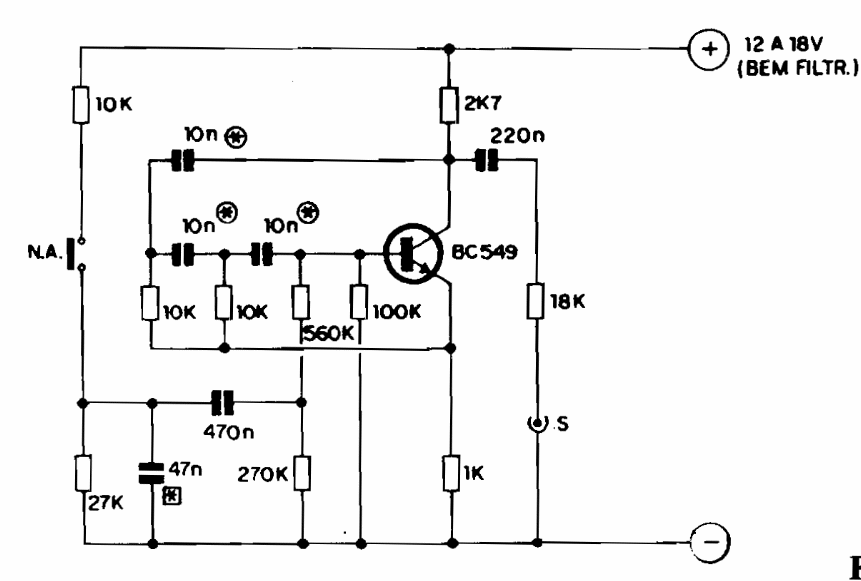
This circuit produces the sound of percussion such as blocks, drum, bell, etc. The frequency depends on the marked capacitors, which can have a wide range of values depending on the desired sound.
This circuit was found in a Texas Instruments optoelectronics documentation. The gain depends on...
This oscillator circuit is from a Radio Electronics magazine from September 1960. The frequency depends...
Using a reed relay, this protection circuit depends only on the adjustment of the closing point by a wire...