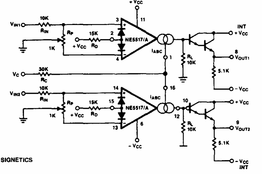
This amplifier with gain control was obtained in a documentation from Signetics of the 80's. Transistors are of power and operational amplifiers are not common nowadays.
This circuit was found in a 1987 edition of the United States' Hands-On Electronics magazine. The...
This circuit was found in a 1966’s Delco Radio documentation. Transistors are from the era, high...
Found in a 1960s RCA documentation, this circuit applies to most common triacs. The trigger device is a...