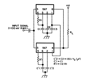
This circuit was found in an old American telecommunications documentation. The components are still found, and he can detect a tone with a bandwidth of 24%.

This circuit was found in an old American telecommunications documentation. The components are still found, and he can detect a tone with a bandwidth of 24%.
