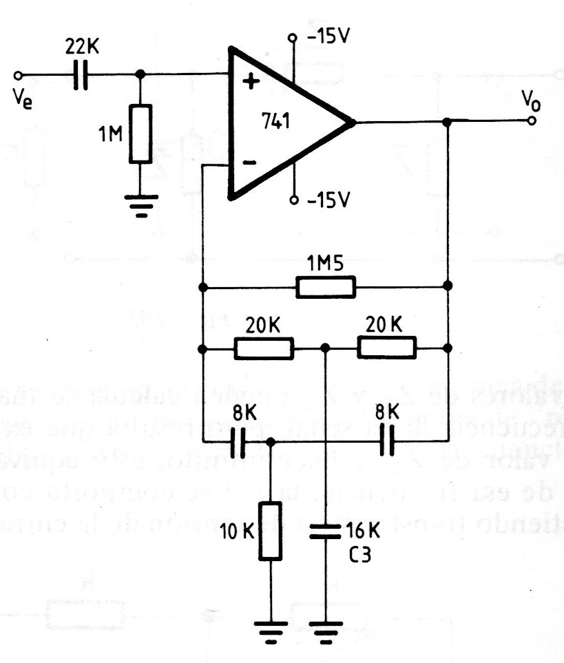
The gain of this circuit at 1 kHz [and 40 dB falling rapidly when the frequency deviates from this value. The frequency depends on the double T that can be changed to operate with other tuning values. See in the math section of the website how to calculate this circuit.




