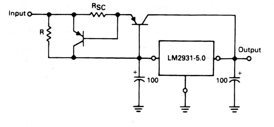
This regulator with current boost and short circuit protection was found in the LM2931 manual that is used in this case. The integrated circuit is not very common today.
This circuit was found in a 1975 documentation. Current general-purpose transistors can be used,...
We found this circuit in a publication for radio amateurs in 1974. The bipolar transistors can be...
This conventional humidity or water alarm circuit was found in an English documentation from 1974....