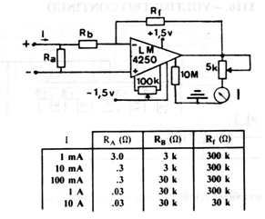
The integrated circuit of this instrument is not common today. Equivalent operational can be tested. The indicator instrument is analog with 1 mA of full scale and a multimeter in the lower current range can be used instead.

The integrated circuit of this instrument is not common today. Equivalent operational can be tested. The indicator instrument is analog with 1 mA of full scale and a multimeter in the lower current range can be used instead.
