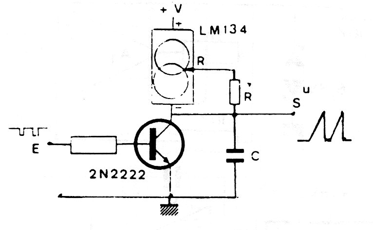
The LM134 integrated circuit is not very common today. This circuit generates linear low-frequency ramps and was found in a technical documentation from the 1980s. The resistor depends on the intensity of the command signal, typically between 1k and 10k.




