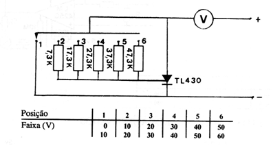
This unusual configuration, due to the component it uses, was found in an old European documentation. The accuracy depends on the resistors and the scales are given in the table next to the diagram.

This unusual configuration, due to the component it uses, was found in an old European documentation. The accuracy depends on the resistors and the scales are given in the table next to the diagram.
