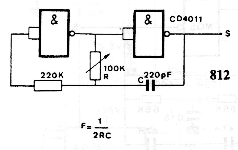
This is the normal configuration of a stable or CMOS oscillator with NAND gates. This configuration can be found in several articles in this section and website. The pinout of the 4011 can be found on the website and the 4001 can also be used.
This is the normal configuration of a stable or CMOS oscillator with NAND gates. This configuration can be found in several articles in this section and website. The pinout of the 4011 can be found on the website and the 4001 can also be used.