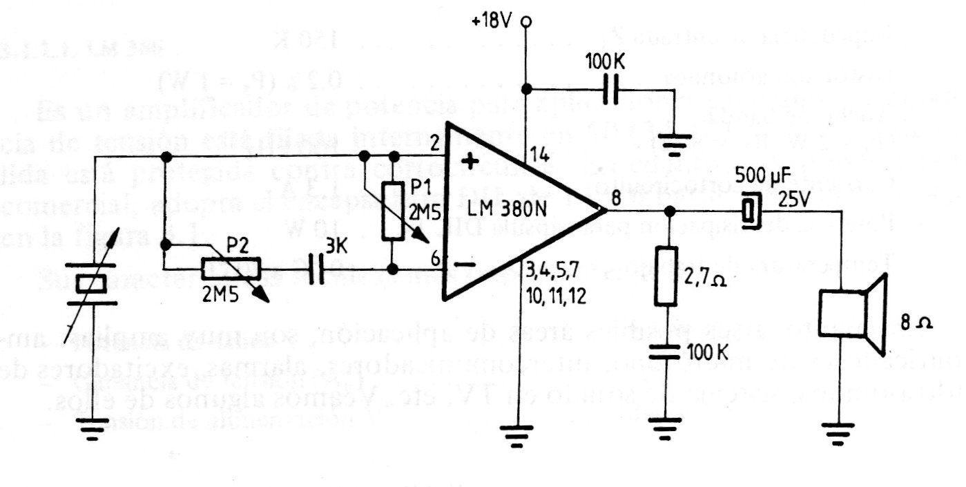
In its original version of a 70s manual, this integrated amplifier, which is uncommon today, was suggested for use on small record players. The circuit includes a tone control and has a power of the order of just over 1 W. This configuration appears elsewhere in this section.




