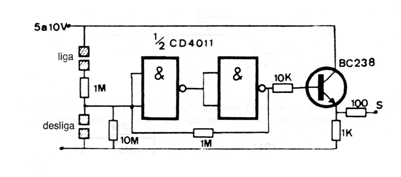
This circuit can be used as an input shield by removing the signal directly from the second port, or by activating a higher power circuit with the BC548 transistor instead of the original BC238. The circuit is from a documentation from the 70s and to be used as a shield the power must be made with 5 V.




