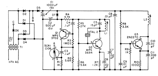
This circuit receives the signals from the previous circuit (CB19055E) by activating an electric lock through the SCR. The L1 coil is the same as that of the transmitter as well as the crystal. The power source diodes are 1N4002 and the transistors support modern BC series equivalents.




