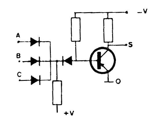
The figure shows a NOR or Non-OU logic function shield using general purpose diodes and a common transistor. The circuit can work with 5V the base resistor has 47k and the collector 22k.

The figure shows a NOR or Non-OU logic function shield using general purpose diodes and a common transistor. The circuit can work with 5V the base resistor has 47k and the collector 22k.
