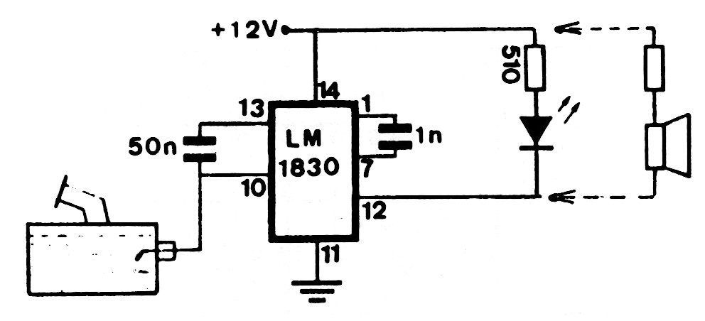
This old indicator circuit indicates only when the fuel reaches the sensor level. The integrated circuit is not common today. The circuit was found in documentation from the 1980s.
This circuit has several features, such as timing to activate and deactivate, in addition to a...
The 4528 is a dual-retriggerable monostable that needs only the timing network formed by R and C...
This circuit from a 1978 American publication is used on vintage vehicles that still have contact...