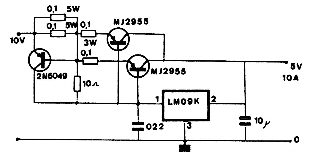
We found this voltage regulator for 5 V with current up to 10 A in an old manual of integrated circuits. The components used are not very common today and the transistors must be mounted on excellent heat sinks.
We found this voltage regulator for 5 V with current up to 10 A in an old manual of integrated circuits. The components used are not very common today and the transistors must be mounted on excellent heat sinks.