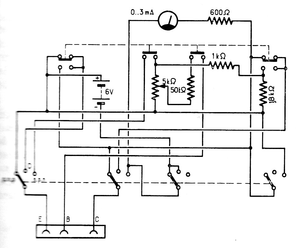
This circuit was obtained in a French documentation from 1981 and can be easily assembled. The analog instrument itself can be replaced by the current scale of an ordinary multimeter.
This circuit has several features, such as timing to activate and deactivate, in addition to a...
The 4528 is a dual-retriggerable monostable that needs only the timing network formed by R and C...
This circuit from a 1978 American publication is used on vintage vehicles that still have contact...