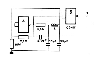
The integrated circuits used in this CMOS astable can be either 4011 or 4001, although 4001 is NOR. In this case, the doors are connected as inverters. The frequency depends on the capacitors and the power can be supplied with voltages from 3 to 12 V.




