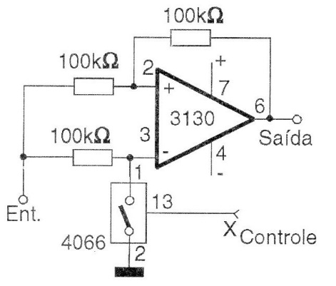
The interesting circuit shown in the figure, can have its gain digitally controlled and present two values. When control input X is at the high level (+5 V), the gain of this amplifier is -1 (inverter follower). When the control input X is brought to a voltage of -5 V, the gain becomes +1 (non-inverting follower). Note that the source for the CMOS 4066 integrated circuit (four digital analog switches), must be symmetrical with 5-0-5 V since its operation is done in analog mode. The CA314O is an operational amplifier with field effect transistors at the input, and equivalent types can be used.




