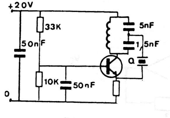
The crystal used in this oscillator can have frequencies up to 30 MHz or more, depending on the transistor. The transistor can be 2N2222 and the capacitors must be ceramic. The coil must be chosen according to the frequency of the crystal so that it resonates with the indicated capacitors.




