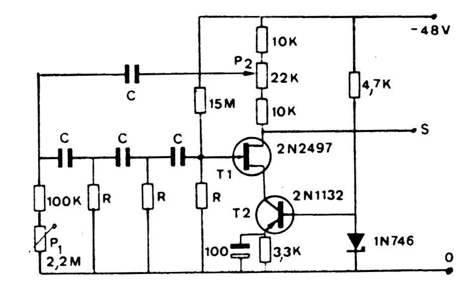
This circuit is from a manual of JFETs and can be implemented with the BF245 and for the bipolar equivalent like the BC548. The frequency is given by the RC network and the output signal is sinusoidal.
This circuit is from a manual of JFETs and can be implemented with the BF245 and for the bipolar equivalent like the BC548. The frequency is given by the RC network and the output signal is sinusoidal.