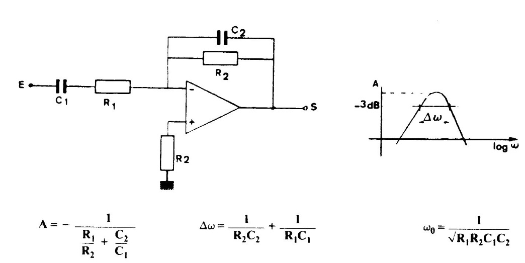
This filter, found in an old manual, has characteristics of reduced overvoltage given by the graph next to the diagram. Formulas for component calculations are given next to the diagram.
This simple receiver for listening on the phone was obtained in a 1960 documentation. The circuit is...
This circuit has a thermal chamber that acts as a stabilizer, compensating for the ambient...
This circuit came out in a 1978 American publication, but can be assembled with transistors BC547 or...