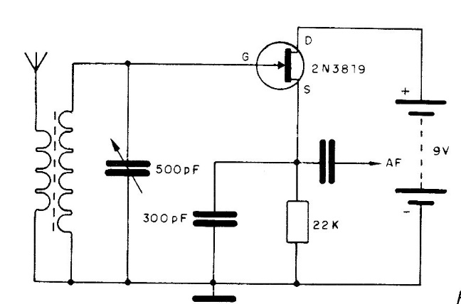
This medium- or short-wave receiver circuit was found in documentation from the 1980s. The circuit uses a detection method created by the Sylvania company of the time. The circuit has its signal applied to an audio amplifier stage. See the previous circuits for information on the coil.




