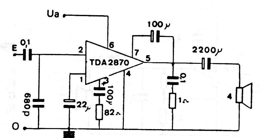
This circuit is from the documentation of the 90s. Thus, the integrated circuit used is not common today. The amplifier must be powered with a voltage of 18 V and has a gain of 40dB. The input resistance is 100 k ohms.
This circuit is from the documentation of the 90s. Thus, the integrated circuit used is not common today. The amplifier must be powered with a voltage of 18 V and has a gain of 40dB. The input resistance is 100 k ohms.