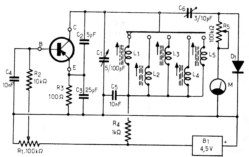
This circuit is from a French book from 1981. The components used are common and the indicator instrument can be replaced by the current scale of a common multimeter. The circuit can test RF transistors in 5 frequency bands, from 400 kHz to 50 MHz, depending on the coils placed in the circuit.




