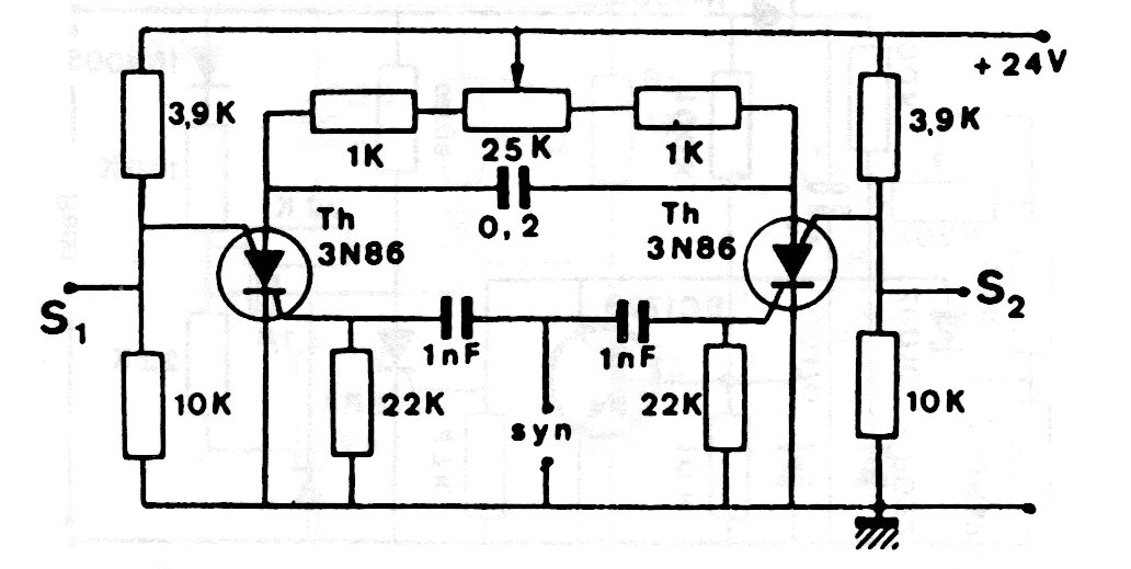
This circuit can either generate signals in the astable form or be synchronized externally, controlling external power loads. The circuit is from old documentation and SCRs can be modern equivalents.
This circuit can either generate signals in the astable form or be synchronized externally, controlling external power loads. The circuit is from old documentation and SCRs can be modern equivalents.