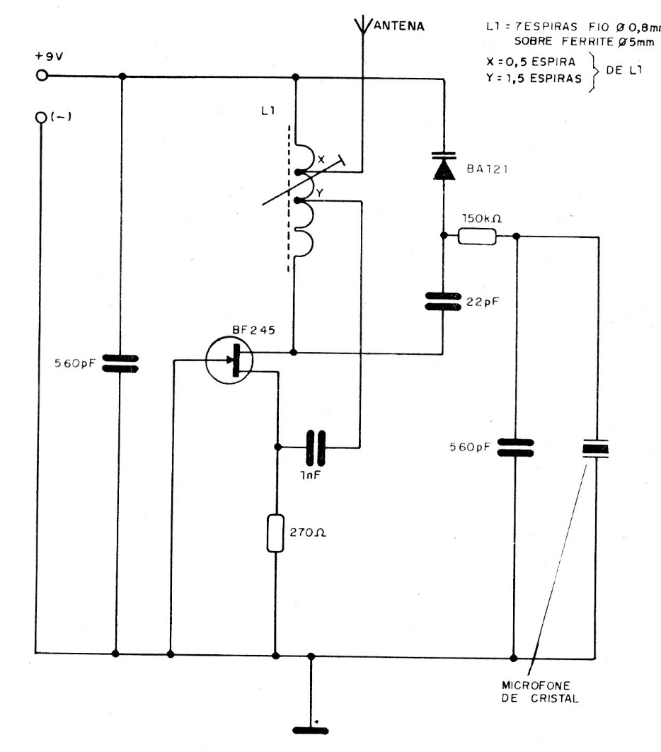
We found this transmitter circuit in a 1990s spy book. The coil data is provided along with the diagram and the power is supplied by a 9 V battery. The microphone used can be ceramic or Crystal types.
We found this transmitter circuit in a 1990s spy book. The coil data is provided along with the diagram and the power is supplied by a 9 V battery. The microphone used can be ceramic or Crystal types.