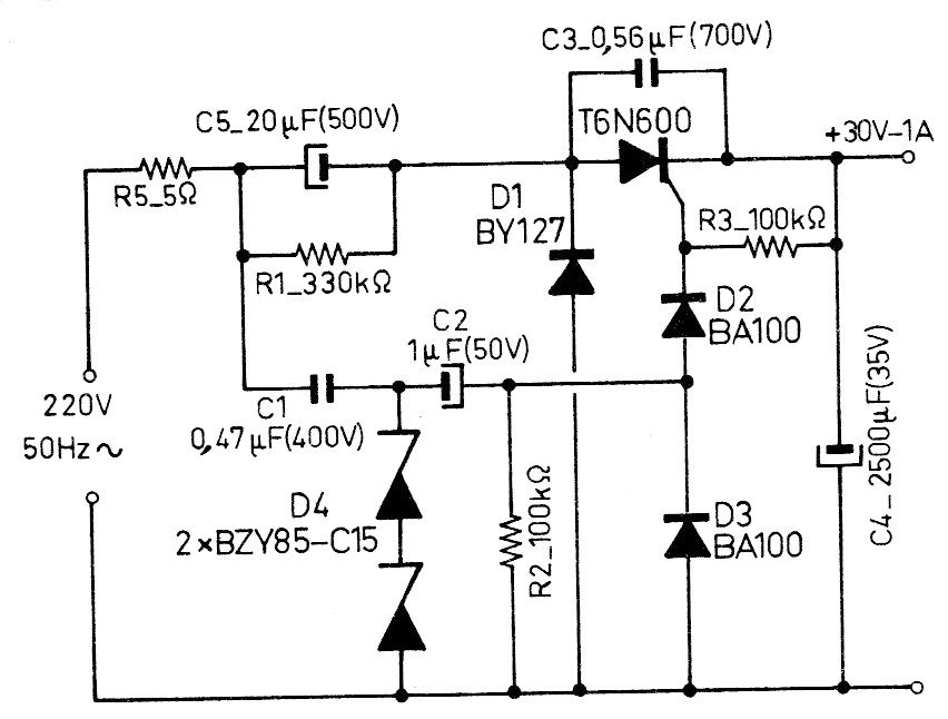
This source was found in European documentation from the 1980s. The C5 input capacitor must be made of metallized polyester suitable for this type of application. The SCR admits equivalent and the output voltage is determined by the zener diodes.
This source was found in European documentation from the 1980s. The C5 input capacitor must be made of metallized polyester suitable for this type of application. The SCR admits equivalent and the output voltage is determined by the zener diodes.