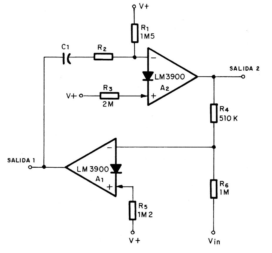
This circuit consists of a monostable multivibrator using the LM3900 transconductance operational amplifier. The circuit is from an old documentation about operations and the time constant is given by C1 and R2.
This circuit consists of a monostable multivibrator using the LM3900 transconductance operational amplifier. The circuit is from an old documentation about operations and the time constant is given by C1 and R2.