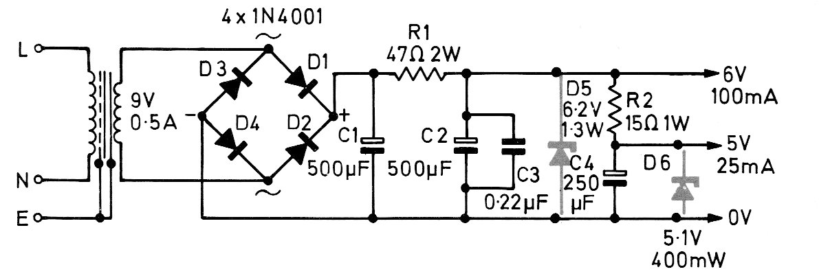
This source of two voltages and two currents was found in documentation translated from Argentina. We believe that the original circuit is English. The source can be used for small experimental projects involving TTL circuits or low consumption microcontrollers.




