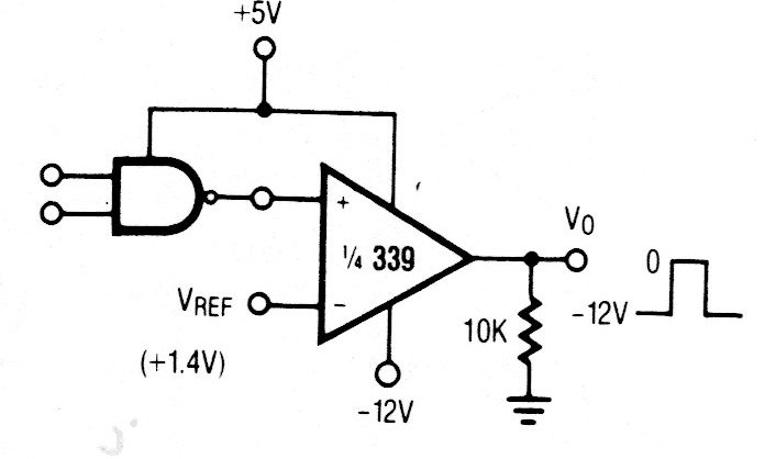
Other components of this series of comparators can be used in this TTL interface for CMOS. The supply is made with a voltage of 5 V. The circuit is from the manual of the component itself.
Other components of this series of comparators can be used in this TTL interface for CMOS. The supply is made with a voltage of 5 V. The circuit is from the manual of the component itself.