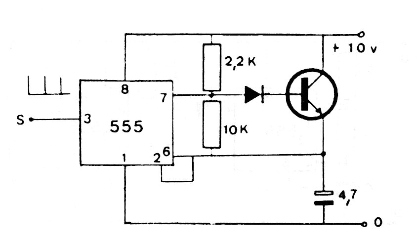
This circuit generates short duration pulses using a 555 integrated circuit. The pulses are 120 ms with a 10-second separation, for the values of the components used. Changes to component values can be made and the transistor is a BC548.
This circuit generates short duration pulses using a 555 integrated circuit. The pulses are 120 ms with a 10-second separation, for the values of the components used. Changes to component values can be made and the transistor is a BC548.