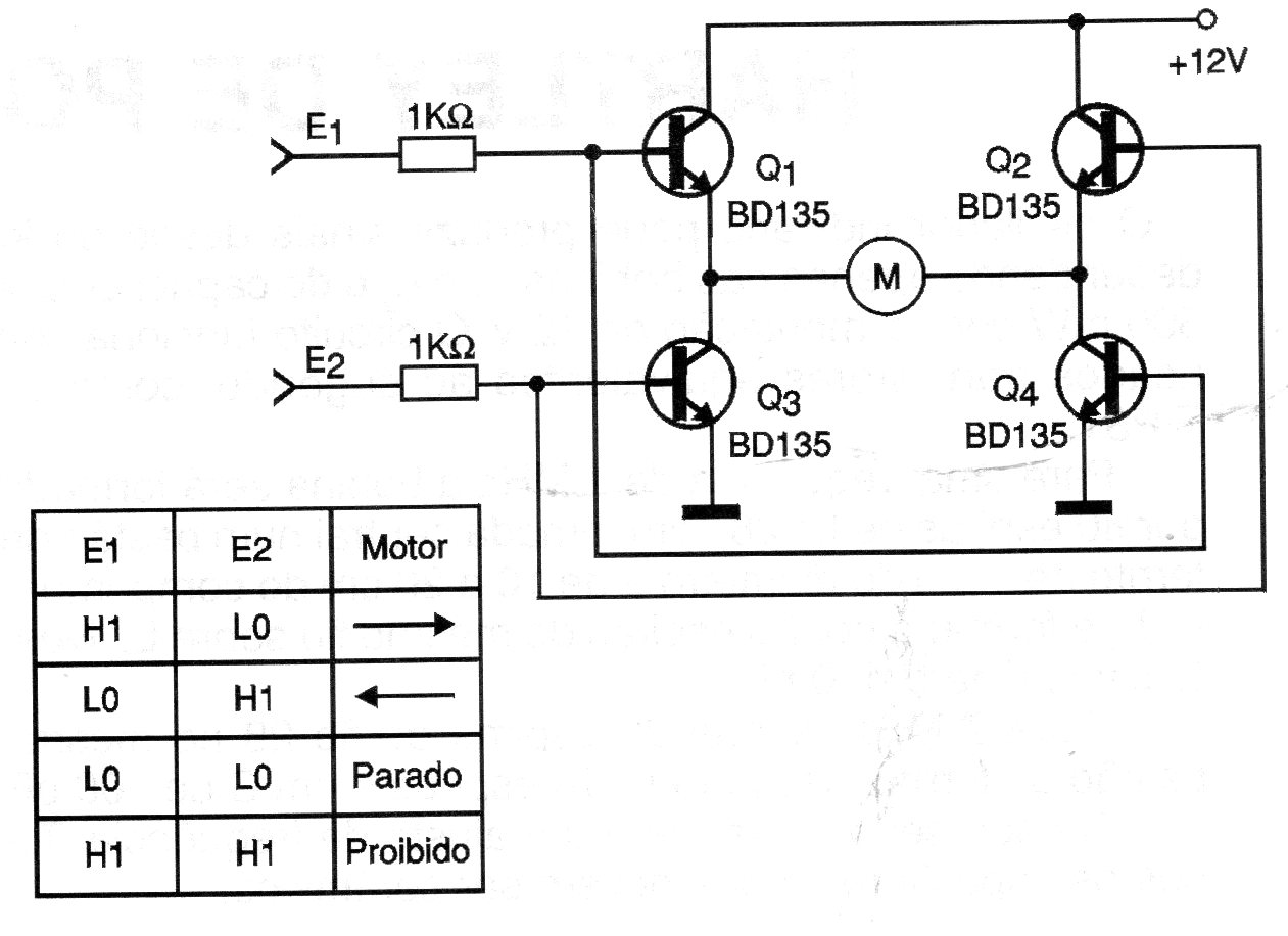
This is the traditional H bridge configuration for motors. The circuit is for currents up to 500 mA, but with higher power transistors such as the TIP31 motors up to 2 A can be controlled.
The basis of this circuit is a CA3130 operational amplifier. The transistor can be BC548, and the...
This circuit, found in a 73 magazine for radio amateurs, is used in radio localization. The...
This circuit is from an American magazine Popular Electronics of March 1991. The circuit produces both...