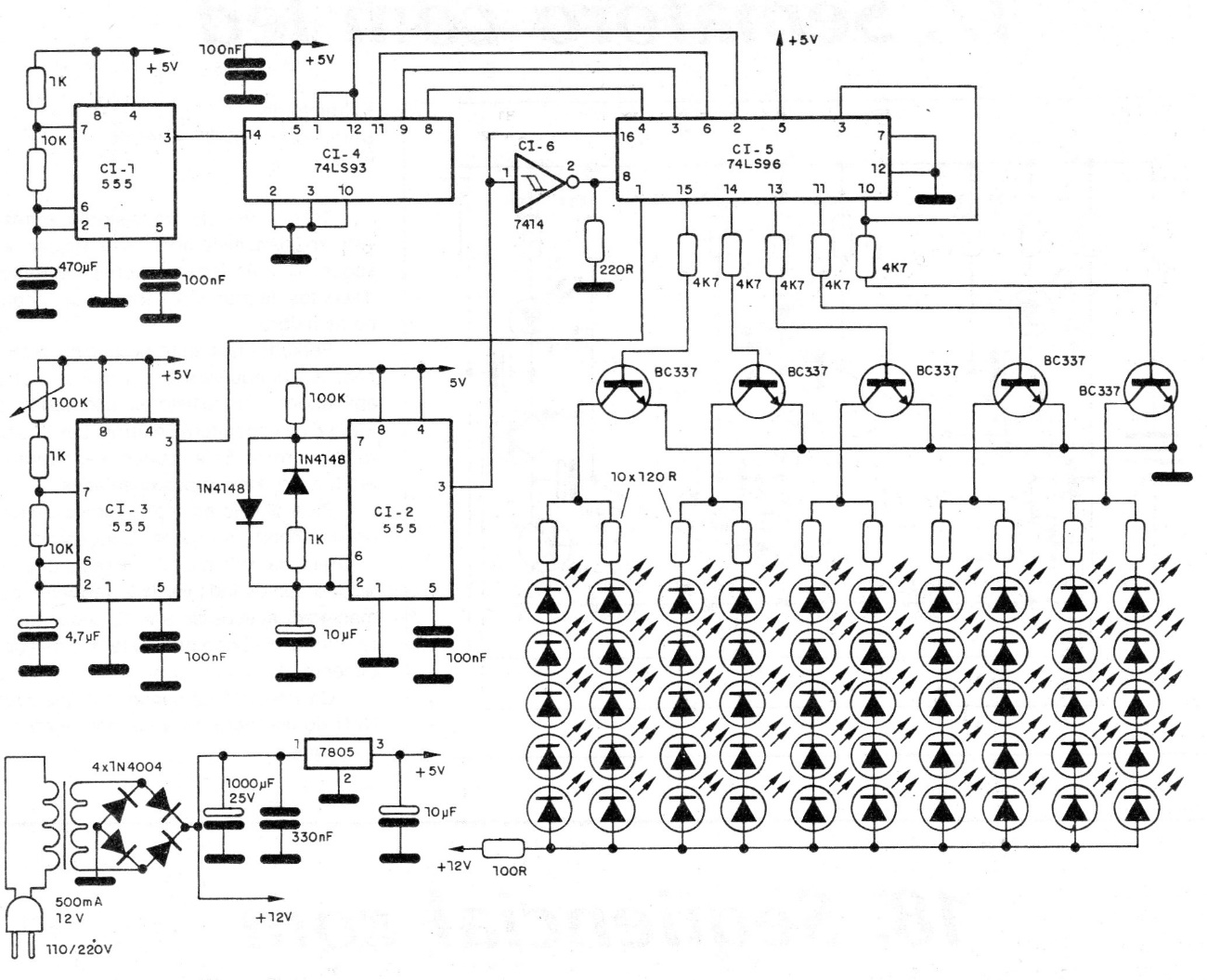
We found this circuit in a 1986 documentation. It is based on TTL integrated circuits that can be found quite easily. The circuit includes a 5 V supply, and the adjustment of the effect is achieved through a potentiometer. The circuit can be adapted to control SCRs and higher power lamps.




