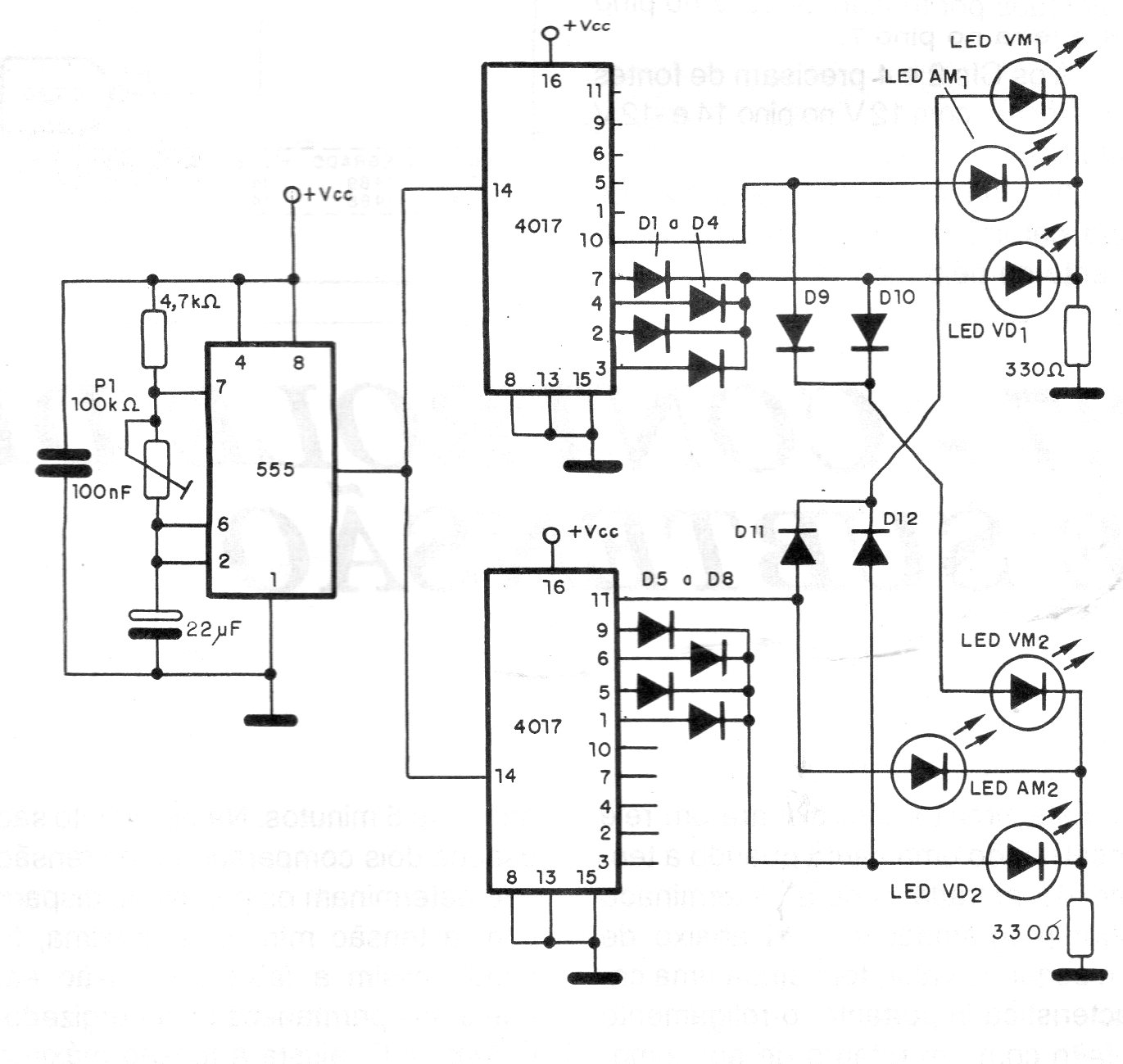
This circuit controls 6 LEDs in two sets with the phase change cycles controlled by a 555 oscillator. The circuit can be powered by voltages between 6 and 12 V.
The basis of this circuit is a CA3130 operational amplifier. The transistor can be BC548, and the...
This circuit, found in a 73 magazine for radio amateurs, is used in radio localization. The...
This circuit is from an American magazine Popular Electronics of March 1991. The circuit produces both...