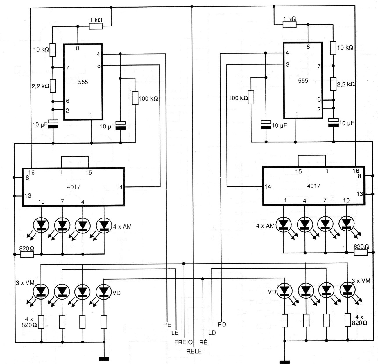
This circuit consists of a control panel for motorcycles and cars monitoring various functions such as brake, lamps, arrow, etc., all with flashing indication through LEDs. The circuit uses current components, although it has been found in old documentation. The power comes from the car or motorcycle battery itself.




