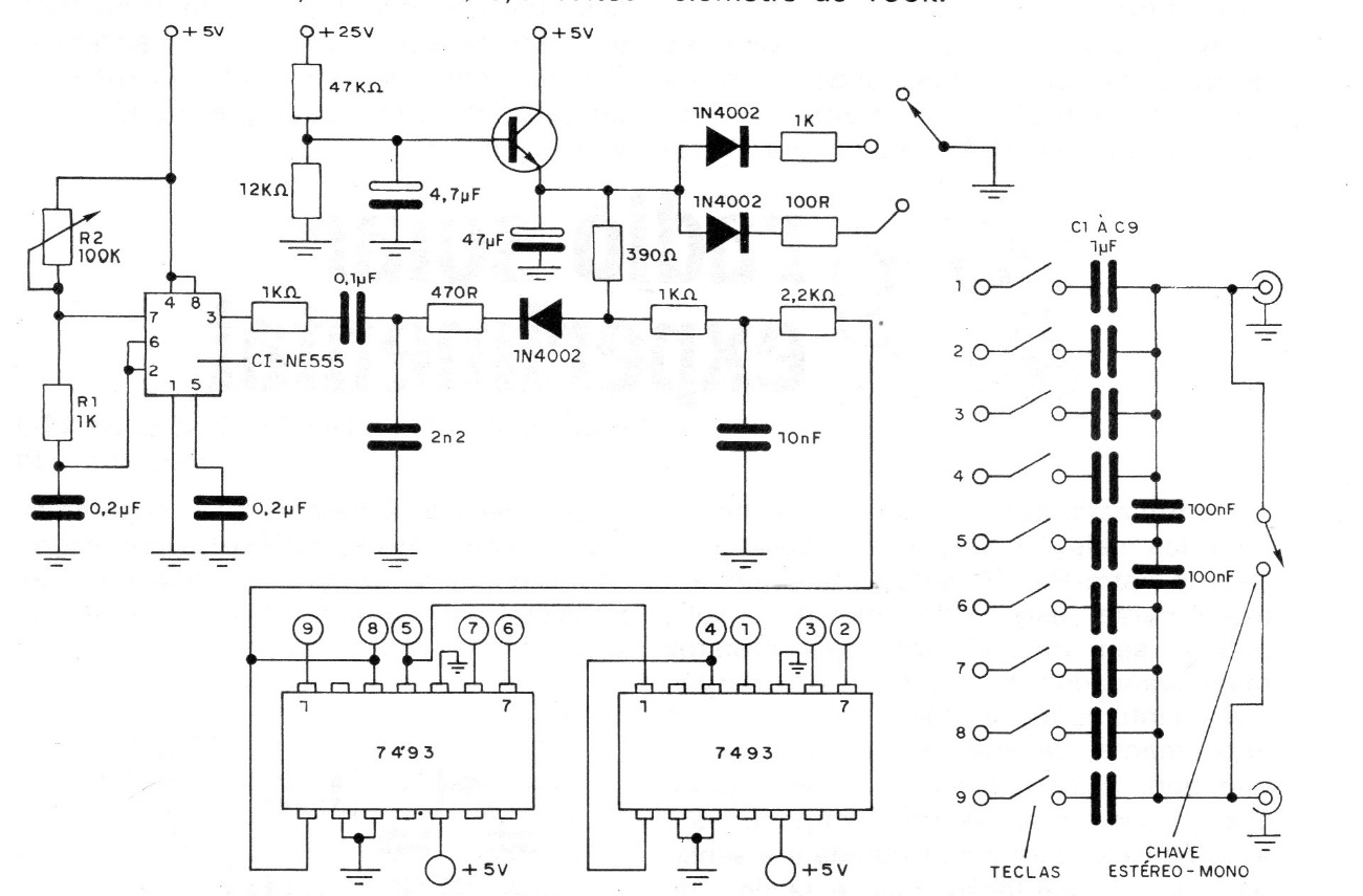
We found this circuit in a 1982 documentation. Its outputs must be applied to the input of an amplifier. The supply must be made with 5 V since the integrated circuits used are TTL. The signal output cable must be shielded to prevent humming. The point marked 25 V in the diagram is 5 V.




