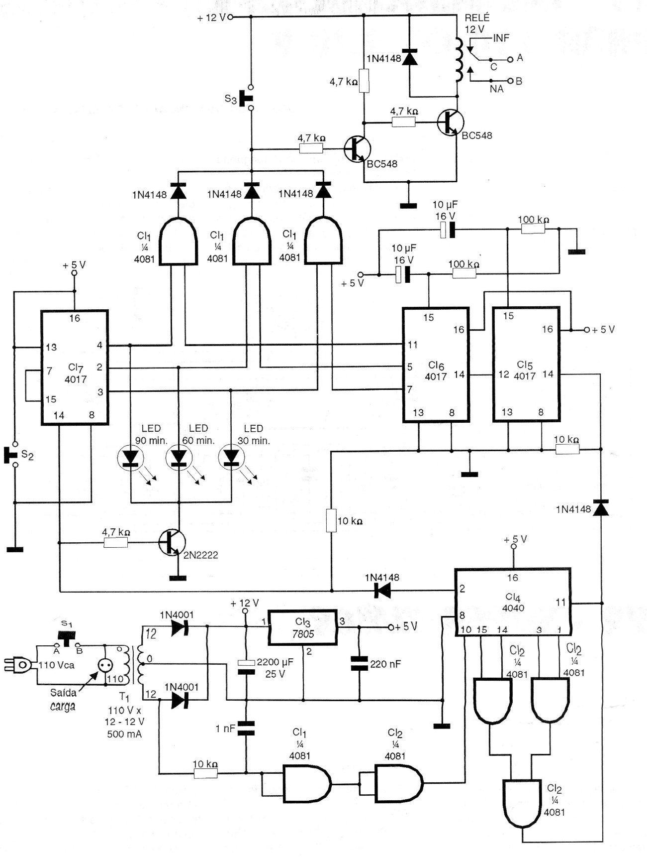
The times for this timer, found in a 1997 documentation, can be adjusted to 30, 60 and 90 minutes. The circuit uses CMOS technology and at the end of the timing it activates a 12 V relay. The circuit is precise by using the frequency of the power grid for its synchronization.




