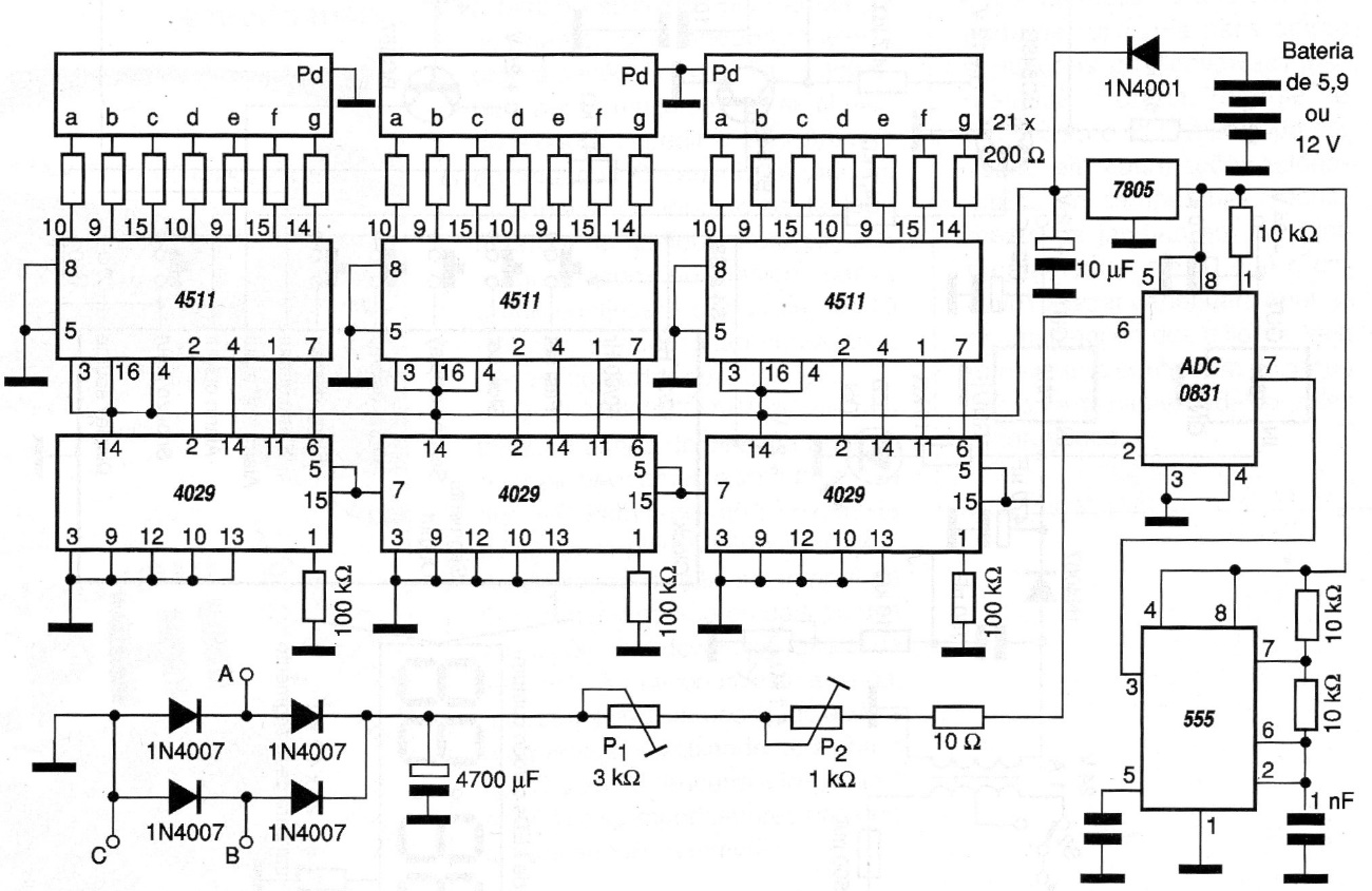
Although this project has only 3 digits, nothing prevents it from being modified to operate with a better resolution. ADC used is quite simple to be implemented, and the simplicity of the circuit leads to a very wide range of applications, mainly for teaching purposes. The circuit can also be powered by a 9 to 12 V source.




