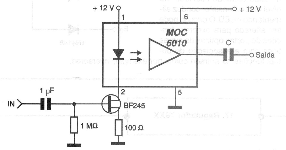
This circuit is suitable for isolating audio signals, as it has very low distortion. The used coupler is not very common in our market and for LED excitation a junction FET is used. Capacitor C can be 100 nF to 1 uF.
Linear Optocoupler (CB17606E)
This circuit is suitable for isolating audio signals, as it has very low distortion. The used coupler is not very common in our market and for LED excitation a junction FET is used. Capacitor C can be 100 nF to 1 uF.




