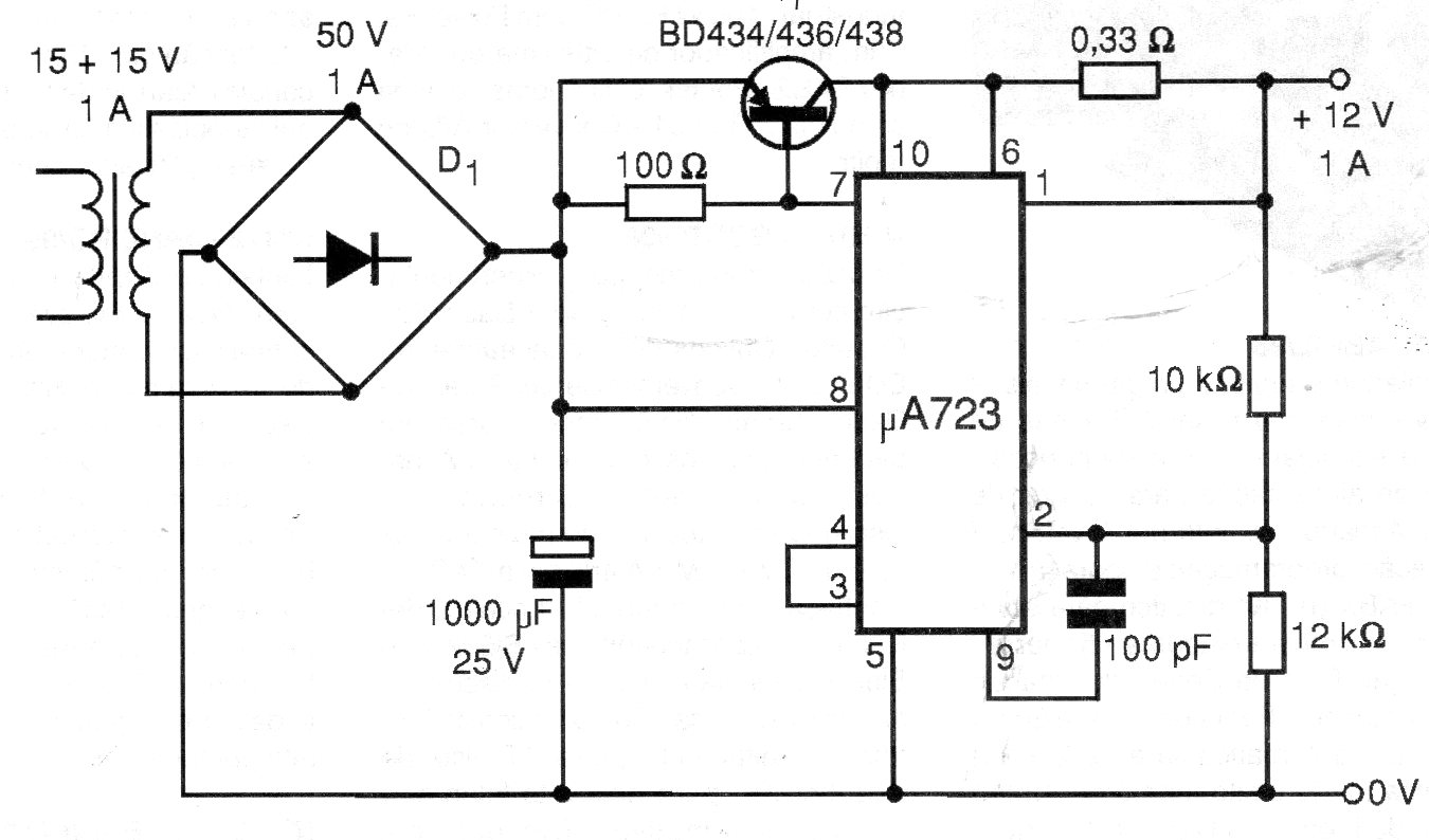
This power supply is based on the 723 integrated circuit, which is no longer very common today. The transistor must have a heatsink and the bridge can be formed by diodes 1N4002 or equivalent.
We can obtain the voltage multiplication using all six inverters of a 4049 integrated circuit, as...
Found in a 1970 documentation this circuit makes use of components still common in the market. The...
In the figure we have a source suggestion for the bench with several outputs that can be used...