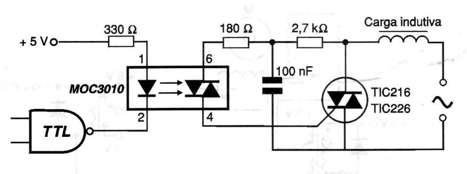
This triac control shield uses an opto-diac to control a triac. The circuit is optimized for the control of inductive loads. Instead of the TTL drive, it can be driven by the output of a microcontroller.
This triac control shield uses an opto-diac to control a triac. The circuit is optimized for the control of inductive loads. Instead of the TTL drive, it can be driven by the output of a microcontroller.