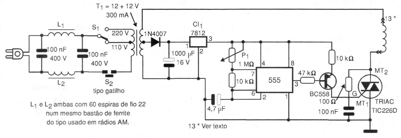
Although kinescopes are no longer used on monitors and televisions, the reader may need this circuit if they are retrieving old equipment. The circuit is from 1999 and uses as pulse generator a 555 coupled to a triac. The original coil of the device must be disconnected to use this device.




