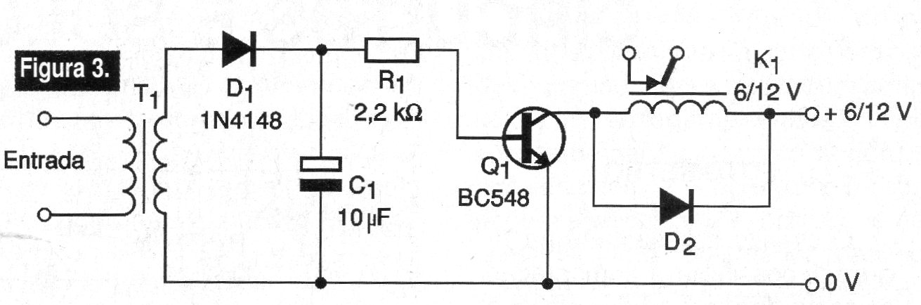
Connected to the output of a small amplifier or receiver, this circuit triggers a relay in the presence of the audio signal. Sensitivity is controlled in the volume of the receiver or amplifier. The circuit can be powered by 6 or 12 V depending on the relay voltage.




