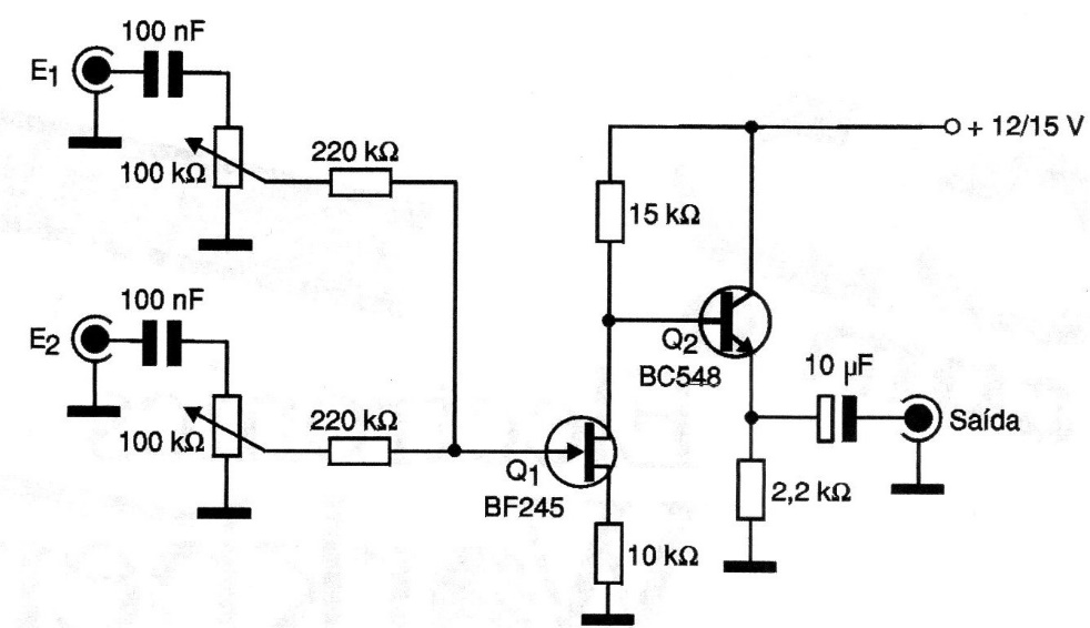
This mixer with amplification stage has two inputs, but it can be expanded. The input impedance is high and the gain too. Signal input and output cables must be shielded and the current drawn is very low.
This mixer with amplification stage has two inputs, but it can be expanded. The input impedance is high and the gain too. Signal input and output cables must be shielded and the current drawn is very low.