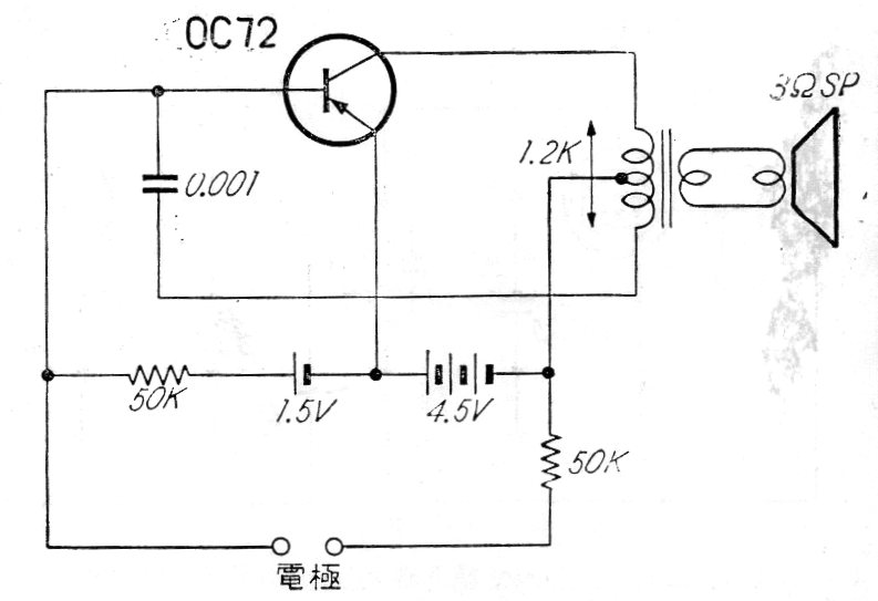
This conventional Hartley oscillator circuit with an audio output transformer was found in a Japanese magazine from the 1960s. In fact, any general purpose PNP can be used and the supply is made with voltages from 3 to 9 V without problems. The transformer is an output transformer of the type found on old transistor radios.




