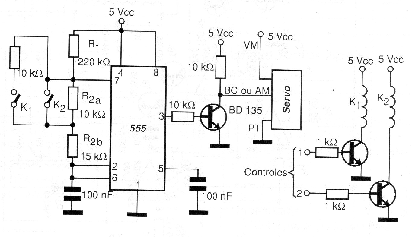
This is one of those circuits that the designer often looks for, but has trouble finding. Its usefulness is evident when it is desired to use a common servomotor, the type that can be acquired in houses specialized in model airplanes in some type of practical project that involves position control. Therefore, the project is not limited to applications in robotics and model making but goes far beyond its usefulness as the reader can easily perceive. The circuit can be adapted to operate as a microcontroller shield.




